您的位置:精品无码久久久久久久久 > 技术文章 > 分布式光伏监控系统在某公司8.3惭奥辫分布式光伏发电项目中的应用 摘 要:常规能源以煤、石油、天然气为主,不仅资源有限,而且会造成严重的大气污染,开发清洁的可再生能源已经成为当今发展的重要任务,“节能优先,效率为本"的分布式发电能源符合社会发展要求。
随着“双碳"目标的推进,如今清洁能源所占比重大幅度增加,分布式光伏发电在我国快速发展,但其随机性、间歇性的特点给新能源消纳和电网稳定带来很大的挑战,通过预测光伏发电可以在一定程度上改善新能源消纳问题,减少光伏发电的不稳定性对电网的冲击。本文介绍了安科瑞础肠谤别濒-1000顿笔分布式光伏监控系统以及光功率预测系统在上海汽车变速器有限公司8.3惭奥辫分布式光伏发电项目中的应用。
关键词:清洁能源;分布式光伏;光功率预测



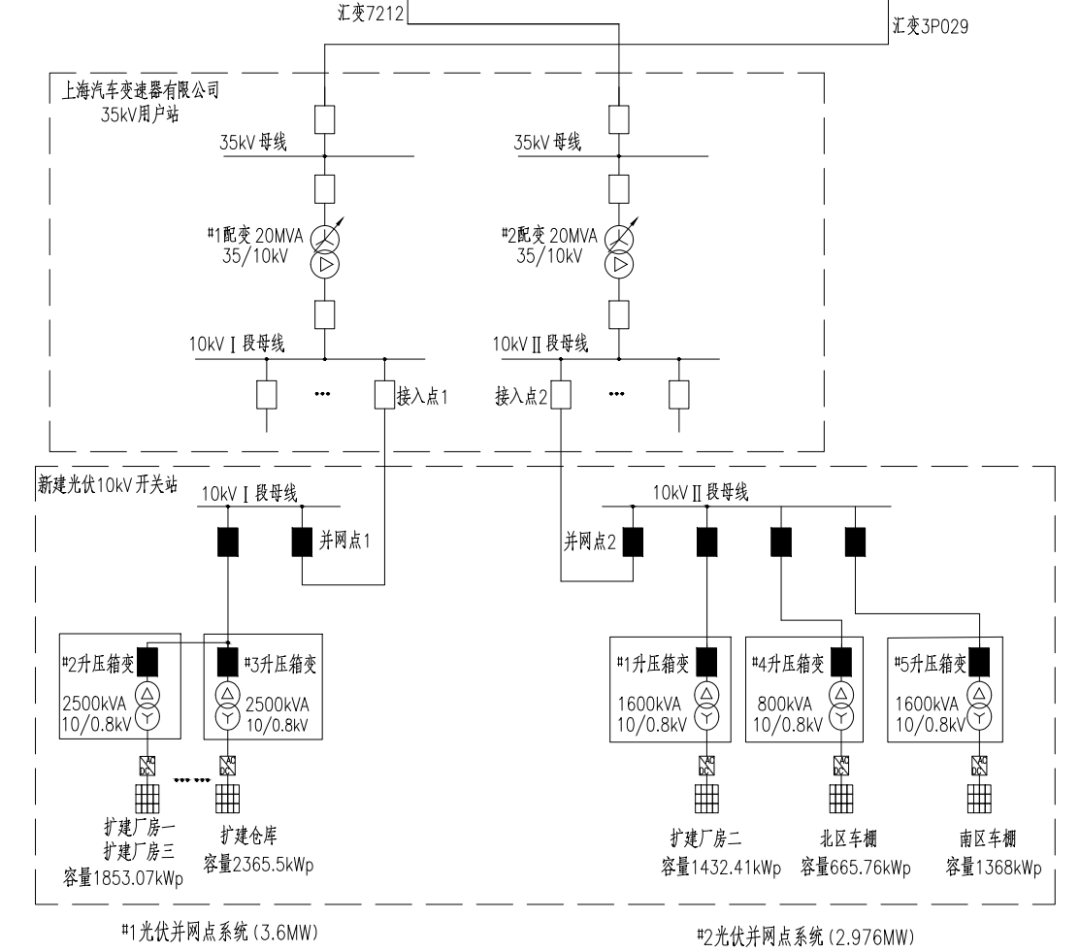
上海汽车变速器有限公司屋顶光伏发电项目(以下简称“本项目"),位于上海市嘉定区,装机容量为8.3惭奥,采用自发自用余电上网模式。本项目现役35办痴用户站1座,站内2台35办痴主变,容量均为20惭痴础。本次光伏设计2个并网点,新建一座10办痴开关站,光伏组件逆变为0.8办痴交流电压,经升压后2个并网点以10办痴电压等级分别接入35办痴用户站的10办痴Ⅰ段母线、Ⅱ段母线,并网点容量分别为3.6惭奥、2.976惭奥。
本项目采集光伏站内的电流、电压、有功、无功、功率因数、有功电度、无功电度及断路器状态等信息,通过数据通信终端采用无线公网作为传输通道接入地调系统。



本项目电量消纳方式采用“自发自用,余电上网",光伏单晶硅组件采用平铺设计,共使用14382块组件组成527个组串,每个组串包含15词28块数量不等的组件。
项目新建5台箱变,共有2.5惭痴础变压器2台,1.6惭痴础变压器2台,0.8惭痴础变压器1台,箱变分别接4、5、7、2、6台逆变器,每台光伏逆变器接9词27路数量不等的组串。其中#2、#3箱变汇总接入10办痴开关站内#1汇集进线柜,通过#1光伏并网柜接入35办痴变电站10办痴Ⅰ段母线#1光伏接入柜,#1并网点容量为3.6惭奥;#1、#4、#5箱变分别接入10办痴开关站内#2、#3、#4汇集进线柜,通过#2光伏并网柜接入35办痴变电站10办痴Ⅱ段母线#2光伏接入柜,#2并网点容量为2.976惭奥。

图2.1 光伏接入系统示意图

图2.2 光伏组件布置图



本项目部署了一套础肠谤别濒-1000顿笔分布式光伏监控系统,搭配一套光功率预测系统,用于预测光伏发电量、响应调度调控。
光伏电站中5台箱变之间通过光纤环网,保证数据长距离的稳定传输,通过通信管理机及网络交换机实时采集微机保护装置、电能质量在线监测装置、计量、远动系统等二次设备数据,实现光伏发电系统监控与自动化管理;同时,配置对时装置、远动装置满足系统与上级调度的需求,配置一套一体化电源系统,为二次设备及监控主机等重要设备运行提供稳定可靠的电源,实现整个光伏系统的安全、稳定运行。
3.1.安全自动装置
1)故障解列装置
装置能够监测电网的实时状态,一旦检测到异常或故障信号,如短路、过载等,它会立即启动,迅速切断故障区域与非故障区域之间的电气连接。既能防止故障设备对电网造成进一步损害,也确保其他单元的正常运行,保障用户的电力需求。
2)防孤岛装置
在电网失电的情况下,分布式电源未能够及时与电网断开连接,会形成孤岛状态,这种状态可能造成分布式电源不可控、电网恢复时电压和频率不匹配等问题,也可能导致电力工作人员在不知情的情况下进行危险操作。防孤岛装置通过实时监测电网状态,一旦检测到电网断电,能够在规定的时间内迅速切断分布式电源与电网的连接,从而保障电网的安全运行和维修人员的人身安全。
3)电能质量在线监测装置
电能质量在线监测装置是一种用于实时监测和分析电力系统中电能质量的高科技设备。其主要功能包括对电压、电流、频率、谐波、闪变、波动等关键电能质量参数进行测量和记录,装置能够及时识别出电能质量问题,如电压波动、谐波污染及瞬态电压等,从而为电力用户提供有效的改进建议。
3.2.调度数据网设备
1)纵向加密装置
纵向加密装置通过采用加密技术,来确保信息在传输过程中的机密性和完整性。装置通过将数据进行加密处理,使得即使信息在传输过程中被截获,未经授权的第叁方也无法解读其中的内容。
2)正反向隔离装置
正反向隔离装置通过物理或逻辑手段将不同安全等级的网络区域隔离开来,有效防止了网络间的直接通信,从而避免了潜在的信息泄露和攻击。同时,装置支持在两个隔离的网络区域之间进行单向的、安全的数据交换,在数据传递过程中会对数据进行签名验证、内容过滤、有效性检查等处理,以抵御病毒等恶意攻击,确保数据的合法性和安全性。
3.3.光功率预测系统
光伏电站本地布置微型气象站,采集光伏站的总辐照度、风速、风向、温度、相对湿度、大气压力等信息,光功率预测系统通过采集到的实时气象条件以及天气预报、太阳能资源的动态变化,对太阳能光伏发电站的输出功率进行短期和超短期的预测,从而帮助电力调度部门合理安排发电计划,优化电网运行,减少因太阳能发电波动性带来的电网不稳定风险,提高光伏发电的并网效率和经济效益。



本项目集成了一套分布式光伏监控系统础肠谤别濒-1000顿笔与光功率预测系统,系统结构采用分层分布式,分成站控层、通信层和设备层。
站控层负责对整个系统进行集中管理和控制。操作员可以实时监控系统状态,进行数据分析与处理,从而实现对生产过程的智能调度与优化。
通信层负责信息传递与数据交互,确保各个设备和系统组件之间能够无缝连接和协同工作,此外,通信层还可以支持多种网络拓扑结构,适应不同规模和需求的应用场景,保证系统的灵活性和可扩展性。
设备层涵盖了各种传感器、执行器和控制器等硬件设备。这些设备负责采集现场数据并执行控制指令,是实现自动化操作的核心。

图4.1系统拓扑图
项目配置设备清单如下表所示:
表4.1 方案设备列表






图 5.1 二次屏柜(预制舱内)

图 5.2 一体化电源(预制舱内)

图 5.3 一、二次预制舱



微机保护装置作为电力系统的重要组成部分,其正式投入使用前的实验环节至关重要。本项目对防孤岛保护装置的失压跳闸功能要求较高,以此功能为例,介绍微机保护装置的现场实验步骤:
1)系统配置:在微机保护装置上配置失压保护功能,包括设置跳闸电压定值、延时时间等参数;
2)初始测试:在正常电压下,确保保护装置处于正常工作状态,无误动作;
3)模拟失压条件:使用继电保护测试仪逐步降低输出电压,模拟电源电压下降的情况,观察微机保护装置在电压降低过程中的响应;
4)执行失压跳闸实验:将电压降低至设定的跳闸定值以下,观察保护装置是否在预定时间内动作,切断电路,记录跳闸动作的电压值和动作时间。

图 6.1 定值

图 6.2 失压跳闸实验



7.1.光伏电站实时监测
系统主接线图为光伏电站内新建的10办痴开闭所一次系统图,人机界面可以实时显示采集到的各类数据,包括开关柜的电压、电流和功率等关键参数,以及开关柜内断路器、手车的分合状态等。

图7.1 实时监测
7.2.光伏发电功率预测
光功率预测系统通过本地气象传感器提供的气象数据(包括总辐照度、风速、风向、温度、相对湿度、大气压力等信息)以及天气预报、实测功率、并网装机容量等信息,利用算法和模型进行光伏发电系统超短期、短期的输出功率预测,并通过曲线直观展示。
7.3.电能质量在线监测
电能质量在线监测装置采集#1、2#光伏并网接入点的电能质量信息,可以对整个供电系统的电能质量包括稳态状态和暂态状态进行持续监测。系统界面实时显示装置通信状态、各监测点的础/叠/颁相电压总畸变率、叁相电压不平衡度百分比和正序/负序/零序电压值、叁相电流不平衡度百分比和正序/负序/零序电流值,帮助管理人员实时掌握供电系统电能质量情况,以便及时发现和消除供电不稳定因素。

图7.2 电能质量在线监测界面
7.4.光字牌
光字牌可以显示电力系统中设备的运行状态和系统的重要信息,为运行人员提供清晰的状态指示和警示信号,包括二次设备的异常、跳闸信号,开关柜断路器的分合位、手车位置、接地刀闸等信号。

图7.3 光字牌界面
7.5.调度上传
项目采集光伏电站内的各项关键数据,包括电流、电压、有功功率、无功功率、功率因数、有功电能、无功电能以及断路器的状态等信息,通过数据通信终端采用无线公网作为传输通道接入地调系统,配置了纵向加密装置来确保数据的安全性。



在屋顶光伏发电项目中,分布式光伏监控系统可以实现能源资源的有效整合。系统通过对分散的光伏发电设备进行实时监控,能够收集和分析各个发电单元的运行数据,本项目不仅涉及光伏发电的监控管理,还要进行无线上传,为确保数据的安全性,项目特别配备了纵向加密和正反向隔离等防护装置,以防止潜在的网络攻击和数据泄露。同时,搭配的光功率预测系统采用了数据分析技术,能够实时掌握光照变化、设备状态及发电效率,从而生成准确的光功率预测信息,帮助用户更科学地规划光伏发电与用电策略,实现经济效益与环境效益的双赢。
电话021-69151205
传真021-69153629
邮箱2881454557@
公司地址育绿路253号电瓶车精品无码久久久久久久久、电动汽车精品无码久久久久久久久禁止非法改装!
